Classes de Amplificadores – As Principais Características dos Amplificadores de Áudio!

Fig. 1 – Principais Características dos Amplificadores de Áudio!

Olá a Todos!!!

Em eletrônica, o amplificador é o dispositivo de circuito mais comumente usado com grandes possibilidades de aplicação. E quem não gosta de um bom amplificador com audio de qualidade e que não nos custe o olho da cara…. 

Para os pré-amplificadores e amplificadores de potência eletrônicos relacionados a áudio, estão dois tipos diferentes de sistemas amplificadores que são usados para propósitos relacionados à amplificação sonora. 

Mas, além desta finalidade específica da aplicação, existem enormes diferenças em vários tipos de amplificadores, principalmente em amplificadores de potência.

Então, aqui vamos explorar no mínimo o básico sobre as diferentes classes de amplificadores e desenvolver um pouco mais nossas habilidades no conhecimento.

Classes de amplificadores de potência

Por muito tempo, as únicas classes de amplificadores relevantes para áudio de alta qualidade eram Classe-A e Classe-AB.

Isso ocorria porque as válvulas eram os únicos dispositivos ativos, e os amplificadores de válvula Classe-B geravam tanta distorção que mal eram aceitáveis, mesmo para fins de endereçamento público. Todos os amplificadores com pretensões de alta fidelidade operavam em push-pull Classe-A.

Amplificadores Classe-A

Em um amplificador Classe A, a corrente flui continuamente em todos os dispositivos de saída, o que torna a sua eficiência muito baixa, mas quase nenhuma distorção de crossover.

O amplificador final Classe A é a configuração mais simples e também uma das melhores configurações para reprodução de áudio de alta qualidade e pode ser implementado usando um seguidor de emissor padrão.

A corrente quiescente através do transistor é igual ao pico da corrente de saída AC, o que significa que o transistor é polarizado no meio de sua faixa de trabalho e simplesmente conduz mais ou menos corrente quando acionado por uma voltagem alternada.

A eficiência de um amplificador classe A é muito baixa: 25% na amplitude máxima de saída e ainda menos em níveis de sinal baixos.

A eficiência pode ser melhorada usando um projeto simétrico com 2 transistores, mas mesmo assim a maior eficiência. é 50%, o circuito básico ilustrativo, pode ser visualizado na Figura 2 abaixo.

Fig. 2 – Amplificador Classe-A

Amplificadores Classe-B

A operação de um amplificador de áudio Classe-B usa um par de transistores polarizados de forma que o transistor ativo, conduza em uma das metades da forma de onda, ou seja, meio ciclo da onda, e a outro na outra metade.

Isso é, em outro ciclo de onda, que significa que eles conduzem cada um em seu momento um ângulo de 180° que é a metade do ciclo total. 

Estágios de áudio Classe-B podem ter números de eficiência de até 75%, embora às custas de uma distorção um tanto maior do que com um estágio Classe-A usando o mesmo layout. O circuito básico ilustrativo, pode ser visualizado na Figura 3 abaixo.

Fig 3 – Amplificador Classe-B

Maior eficiência permite que uma maior potência de saída seja obtida com dissipadores de calor menores, e o uso de feedback negativo pode, com um projeto cuidadoso, reduzir a distorção a níveis desprezíveis.

O Classe-B (ou Classe A – B, que usa corrente sem sinal mais alta) é o método de operação preferido para amplificadores com CI em níveis de potência de até cerca de 15 W de saída.

Amplificadores Classe-AB

Os amplificadores Classe-AB, não foram um desenvolvimento de classe, e sim uma combinação de duas classes já existentes, o Classe-A e o Classe-B, que já pudemos estudar acima.

Eles são atualmente os tipos mais comumente usados na grande maioria dos fabricantes de amplificadores de áudio de potência. 

O amplificador Classe-AB é uma variação de um amplificador de Classe-B conforme descrito acima, exceto que ambos os dispositivos podem conduzir ao mesmo tempo em torno do ponto de crossover das formas de onda, eliminando os problemas de distorção de crossover do amplificador de Classe-B anterior.

A Classe-AB é menos linear do que A ou B, os dois transistores têm uma tensão de polarização muito pequena, normalmente de 5 a 10% da corrente quiescente para polarizar os transistores logo acima de seu ponto de corte.

Então, o dispositivo de condução, seja bipolar ou FET, ficará “LIGADO” por mais de meio ciclo, mas muito menos de um ciclo completo do sinal de entrada.

Portanto, em um projeto de amplificador de classe-AB, cada um dos transistores em configuração push-pull está conduzindo por um pouco mais do que meio ciclo de condução na classe-B, mas muito menos do que o ciclo completo de condução da classe-A. O circuito básico ilustrativo, pode ser visualizado na Figura 4 abaixo.

Fig 4 – Amplificador Classe-AB

Amplificadores Classe-C

As estruturas dos amplificadores Classe-C teem maior eficiência, no entanto, a linearidade são as menores das classes de amplificadores mencionados aqui. As classes anteriores, A, B e AB são consideradas amplificadores lineares, pois a amplitude e fase dos sinais de saída estão linearmente relacionadas à amplitude e fase dos sinais de entrada.

No entanto, o amplificador de classe-C é fortemente polarizado de modo que a corrente de saída seja zero por mais da metade de um ciclo de sinal senoidal de entrada com o transistor ocioso em seu ponto de corte.

Em outras palavras, o ângulo de condução do transistor é significativamente menor do que 180 graus e geralmente está em torno da área de 90 grausO circuito básico ilustrativo, pode ser visualizado na Figura 5 abaixo.

Fig 5 – Amplificador Classe-C

Embora essa forma de polarização do transistor dê uma eficiência muito melhorada de cerca de 80% ao amplificador, ela introduz uma distorção muito forte do sinal de saída. Portanto, os amplificadores de classe-C não são adequados para uso como amplificadores de áudio.

Devido à sua forte distorção de áudio, os amplificadores classe-C são comumente usados em osciladores de onda senoidal de alta frequência e certos tipos de amplificadores de frequência de rádio, onde os pulsos de corrente produzidos na saída do amplificador podem ser convertidos em ondas senoidais completas de uma determinada frequência pelo uso de circuitos ressonantes LC em seu circuito coletor.

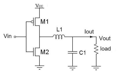
Amplificadores Classe-D

Esses amplificadores alternam continuamente a saída de um ciclo para o outro em uma frequência supersônica, controlando a relação marca/espaço para fornecer uma média que representa o nível instantâneo do sinal de áudio; isso é alternativamente chamado de modulação por largura de pulso (PWM). O circuito básico ilustrativo, pode ser visualizado na Figura 6 abaixo.

Fig 6 – Amplificador Classe-D

Grande esforço e engenhosidade foram devotados a essa abordagem, pois a eficiência é em teoria muito alta, mas as dificuldades práticas são graves, especialmente em um mundo de legislação EMC cada vez mais rígida, onde não está claro que uma onda quadrada em 200kHz com alta potencia é um bom lugar para começar.

A distorção não é inerentemente baixa, e a quantidade de feedback negativo global que pode ser aplicada é severamente limitada pelo pólo devido à frequência efetiva de amostragem direto de feedback.

É necessário um filtro passa-baixa de corte nítido entre o amplificador e o alto-falante, para remover a maior parte do RF; isso exigirá pelo menos quatro indutores (para estéreo) e custará dinheiro, mas seu pior recurso é que ele só dará uma resposta de frequência plana em uma impedância de carga específica.

Amplificadores Classe-F

Os amplificadores Classe-F aumentam a eficiência e a saída usando ressonadores harmônicos na rede de saída para moldar a forma de onda de saída em uma onda quadrada.

Os amplificadores Classe-F são capazes de altas eficiências de mais de 90% se a sintonia harmônica infinita for usada. O circuito básico ilustrativo, pode ser visualizado na Figura 7 abaixo.

Fig. 7 – Amplificador Classe-F

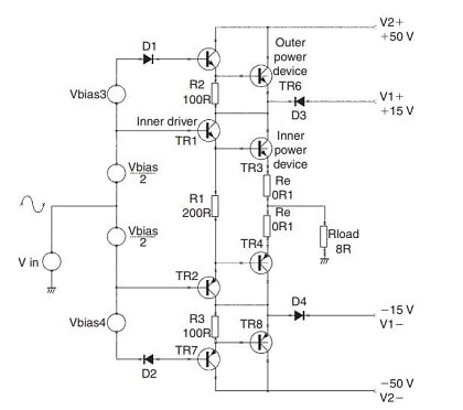
Amplificadores Classe-G

Este conceito foi introduzido pela Hitachi em 1976 com o objetivo de reduzir a dissipação de potência do amplificador.

Os sinais musicais têm uma relação de pico/média, passando a maior parte do tempo em níveis baixos, então a dissipação interna é muito reduzida ao correr pelas grades de baixa tensão para saídas pequenas, mudando para grade de correntes mais altas para excursões de maiores potências.

A série básica Classe-G trabalha com duas tensões de alimentação (ou seja, quatro grades de alimentação, como ambas as tensões são simétricas ±), a corrente é retirada da grade de alimentação V1 inferiores sempre que possível.

Se o sinal exceder V1, TR6 conduz e D3 desliga, de forma que a corrente de saída agora é inteiramente retirada da grade de alimentação V2, com dissipação de energia compartilhada entre TR6 e TR8.

O estágio interno TR3, TR4 é normalmente operado na Classe-B, embora AB ou A sejam igualmente viáveis se a polarização do estágio de saída for adequadamente aumentada.

Os dispositivos externos estão efetivamente na Classe-C, pois conduzem por menos de 50% do tempo. O circuito básico ilustrativo, pode ser visualizado na Figura 8 abaixo.

Fig 8 – Amplificador Classe-G

Em princípio, os movimentos da tensão do coletor nos coletores do dispositivo interno não devem afetar significativamente a tensão de saída, mas na prática o Classe-G é frequentemente considerada como tendo uma linearidade mais pobre do que a Classe-B devido a falhas devido ao armazenamento de carga nos diodos de comutação D3, D4.

Amplificadores Classe-H

O amplificador Classe-H é mais uma vez basicamente Classe-G, mas com um método de aumentar dinamicamente a tensão de alimentação (ao invés de mudar para outro bloco de alimentação) a fim de aumentar a eficiência. O mecanismo usual é uma forma de bootstrapping.

Classe-H é ocasionalmente usada para descrever tecnicamente um nível acima do Classe-G; podemos prescindir melhor o nosso entendimento abordando o assunto dessa maneira.

Amplificadores Classe-I

Os amplificadores Classe-I  teem dois conjuntos de dispositivos de comutação de saída complementares dispostos em uma configuração push-pull paralela com ambos os conjuntos de dispositivos de comutação amostrando a mesma forma de onda de entrada.

Um dispositivo alterna a metade positiva da forma de onda, enquanto o outro alterna a metade negativa semelhante a um amplificador classe-B.

Sem nenhum sinal de entrada for aplicado, ou quando um sinal atinge o ponto de cruzamento zero, os dispositivos de chaveamento são LIGADOS e DESLIGADOS simultaneamente com um ciclo de trabalho PWM de 50% cancelando quaisquer sinais de alta frequência.

Para produzir a metade positiva do sinal de saída, a saída do dispositivo de comutação positiva é aumentada no ciclo de trabalho, enquanto o dispositivo de comutação negativo é diminuído da mesma forma e vice-versa.

As duas correntes de sinal de comutação são intercaladas na saída, dando ao amplificador classe-I o nome de: “amplificador PWM intercalado” operando em frequências de comutação superiores a 250 kHz.

Amplificadores Classe-S

Amplificador de Classe-S é um amplificador que trabalha em modo de comutação não linear, ele é bastante semelhante ao tipo de operação dos amplificadores classe-D.

A Sony desenvolveu sua tecnologia S-Master, em sua tecnologia, a Sony combinou várias técnicas para tornar a configuração de Classe-D adequada para aplicações domésticas de alta fidelidade.

Aqui, o processo de conversão do sinal de entrada em um sinal de largura de pulso correspondente é chamado de modulação de comprimento de pulso complementar.

O amplificador classe-S converte sinais de entrada analógicos em pulsos de onda quadrada digital por um modulador delta-sigma e os amplifica para aumentar a potência de saída antes de finalmente ser Demodulado por um filtro passa-banda. O circuito básico ilustrativo, pode ser visualizado na Figura 9 abaixo.

Fig 9 – Amplificador Classe-S

Como o sinal digital deste amplificador de comutação está sempre totalmente “LIGADO” ou “DESLIGADO(na teoria, dissipação de energia zero), tecnicamente a eficiências desse amplificador chegaria a 100% de eficiência.

Amplificadores Classe-T

Os amplificadores Classe-T são outro tipo de formato de amplificadores de comutação digital. Amplificadores Classe-T estão começando a se tornar mais populares atualmente como um projeto de amplificador de áudio.

Devido à existência de chips de processamento de sinal digital (DSP) e amplificadores de som surround multicanal, pois converte sinais analógicos em sinais modulados por largura de pulso digital (PWM) para amplificação aumentando a eficiência dos amplificadores.

A empresa Tripath desenvolveu uma técnica que combina a qualidade do sinal de amplificadores classe A e AB com alta eficiência (cerca de 80-90%).

Isso é feito usando uma combinação de circuitos analógicos e digitais, juntamente com algoritmos digitais que modulam o sinal de entrada usando uma forma de onda de comutação de alta frequência. 
O circuito ilustrativo, pode ser visualizado na Figura 10 abaixo, esse foi obtido pelo datasheet do mesmo.

Fig. 10 – Amplificador Classe-T

Os projetos de amplificadores de classe-T combinam os níveis de sinal de baixa distorção do amplificador de classe-A e classe-AB e a eficiência de energia de um amplificador de classe-D.

E por hoje é só, espero que tenhamos alcançado suas expectativas!

Agradecemos por visitar o nosso blog e esperamos tê-lo(a) novamente por aqui em breve. Não deixe de conferir nossos outros conteúdos sobre tecnologia e assuntos variados. 

Se inscreva no nosso Blog! Clique Aqui — FVM Learning!

Nos ajude a divulgar nosso trabalho, compartilha nas redes sociais, Facebook, Instagram, nos grupos de WhatsAppuma simples atitude sua, faz com que cresçamos juntos e melhoremos o nosso trabalho!

Forte abraço!
Deus vos Abençoe!
Shalom.

Compartilhar

Deixe um comentário

O seu endereço de e-mail não será publicado. Campos obrigatórios são marcados com *