Arduíno Pro Mini: Pinagem (Pinout) – Características!

O Arduíno Pro Mini é uma placa de desenvolvimento compacta baseada no
microcontrolador ATmega328P, projetada para aplicações onde o espaço é
limitado. Sua popularidade deve-se ao seu tamanho reduzido e baixo consumo de
energia, tornando-a ideal para projetos embarcados e wearables. Apesar de seu
tamanho compacto, mantém a mesma funcionalidade de outras placas Arduino, como
o Uno, mas sem os conectores de borda e sem a interface USB integrada.
Neste guia completo, vamos explorar em detalhes a pinagem do Arduíno Pro Mini,
analisando cada pino, suas funções e limitações. Abordaremos desde os pinos de
alimentação até os pinos de comunicação e I/O digital, fornecendo informações
essenciais para que você possa aproveitar ao máximo esta placa em seus
projetos. Também discutiremos o diagrama esquemático, características
elétricas e responderemos às perguntas mais frequentes sobre o pinout desta
placa.
Tabela de Pinos de I/O (Entrada/Saída)
| Pino na Placa | GPIO (Chip) | Funções Principais | Observações Críticas / Estado Padrão |
|---|---|---|---|
| D0 (RX) | PD0 | UART RX |
Receptor serial. Usado para comunicação com o computador via conversor USB-Serial. |
| D1 (TX) | PD1 | UART TX |
Transmissor serial. Usado para comunicação com o computador via conversor USB-Serial. |
| D2 | PD2 | Digital, Interrupção Externa 0 |
Pode ser usado como interrupção externa. Suporta PWM em algumas configurações. |
| D3 | PD3 | Digital, PWM, Interrupção Externa 1 | Suporta PWM (~) e pode ser usado como interrupção externa. |
| D4 | PD4 | Digital | Pino digital padrão. Estado padrão: entrada (alta impedância). |
| D5 | PD5 | Digital, PWM | Suporta PWM (~). Frequência padrão: ~490Hz. |
| D6 | PD6 | Digital, PWM | Suporta PWM (~). Frequência padrão: ~490Hz. |
| D7 | PD7 | Digital | Pino digital padrão. Estado padrão: entrada (alta impedância). |
| D8 | PB0 | Digital | Pino digital padrão. Estado padrão: entrada (alta impedância). |
| D9 | PB1 | Digital, PWM | Suporta PWM (~). Frequência padrão: ~490Hz. |
| D10 | PB2 | Digital, PWM, SS | Suporta PWM (~) e é o pino Slave Select para comunicação SPI. |
| D11 | PB3 | Digital, PWM, MOSI | Suporta PWM (~) e é o pino MOSI para comunicação SPI. |
| D12 | PB4 | Digital, MISO | É o pino MISO para comunicação SPI. |
| D13 | PB5 | Digital, SCK, LED | É o pino SCK para comunicação SPI e controla o LED onboard. |
| A0 | PC0 | Analógico, Digital |
Entrada analógica (10-bit). Pode ser usado como pino digital. Resolução: 1024 níveis (0-1023). |
| A1 | PC1 | Analógico, Digital |
Entrada analógica (10-bit). Pode ser usado como pino digital. Resolução: 1024 níveis (0-1023). |
| A2 | PC2 | Analógico, Digital |
Entrada analógica (10-bit). Pode ser usado como pino digital. Resolução: 1024 níveis (0-1023). |
| A3 | PC3 | Analógico, Digital |
Entrada analógica (10-bit). Pode ser usado como pino digital. Resolução: 1024 níveis (0-1023). |
| A4 | PC4 | Analógico, Digital, SDA |
Entrada analógica (10-bit). Pode ser usado como pino digital e SDA para comunicação I2C. |
| A5 | PC5 | Analógico, Digital, SCL |
Entrada analógica (10-bit). Pode ser usado como pino digital e SCL para comunicação I2C. |
| A6 | ADC6 | Analógico apenas |
Entrada analógica (10-bit). Não pode ser usado como pino digital. Resolução: 1024 níveis (0-1023). |
| A7 | ADC7 | Analógico apenas |
Entrada analógica (10-bit). Não pode ser usado como pino digital. Resolução: 1024 níveis (0-1023). |
Tabela de Pinos de Alimentação e Controle
| Pino na Placa | Nome | Função | Descrição Técnica |
|---|---|---|---|
| RAW | VIN | Entrada de alimentação não regulada |
Aceita tensão de 6V a 12V (versão 5V) ou6V a 9V (versão 3.3V). Passa pelo regulador detensão. |
| VCC | VCC | Saída de alimentação regulada |
Fornece 5V (versão 5V) ou 3.3V (versão 3.3V)regulados. Pode ser usado para alimentar componentes externos. |
| GND | GND | Terra | Pino de referência de terra (0V). Existem múltiplos pinos GND na placa. |
| RST | RESET | Reset |
Quando colocado em nível baixo, reinicia o microcontrolador. Possui resistor pull-up de 10kΩ.
|
| TXO | TX | Transmissor Serial |
Conectado ao pino D1. Usado para programação e comunicação serial via adaptador USB-Serial. |
| RXI | RX | Receptor Serial |
Conectado ao pino D0. Usado para programação e comunicação serial via adaptador USB-Serial. |
| DTR | DTR | Data Terminal Ready |
Usado pelo adaptador USB-Serial para resetar automaticamente a placa durante a programação. |
| GND | GND | Terra | Pino de referência de terra (0V) para o adaptador USB-Serial. |
| AREF | AREF | Referência Analógica |
Tensão de referência para as entradas analógicas (0-5V por padrão). Pode ser conectado a uma tensão externa para maior precisão. |
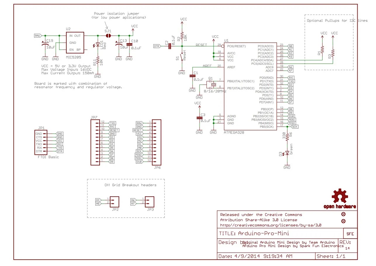
Diagrama Esquemático
O diagrama esquemático do Arduíno Pro Mini mostra como os componentes estão
conectados internamente, incluindo o microcontrolador ATmega328P, o regulador
de tensão e os circuitos de suporte. Este diagrama é essencial para entender o
funcionamento interno da placa e para realizar modificações ou diagnósticos
mais avançados.

Para visualizar o esquema do Arduino Pro Mini, podes acessar a documentação
oficial do Arduino. O documento contém informações técnicas completas e
atualizadas sobre o hardware do módulo. Clique aqui para acessar o esquema em PDF no site oficial do Arduino.
📚 Continue Explorando: Artigos Relacionados:
-
Raspberry Pi Pico W: Pinagem (Pinout) Guia Completo para Seu Projeto
IoT - Arduino Micro: Pinagem (Pinout) – Características!
- Arduíno Mega 2560 R3: Pinagem (Pinout) – Características!
- Arduino UNO R3: Pinagem (Pinout) – Características!
- NodeMCU ESP8266: Pinagem (Pinout) – Características!
-
ESP8266: Guia Completo com Características, Especificações e Aplicações
Práticas
Resumo de Características Elétricas e Limitações
-
Microcontrolador: ATmega328P operando a
16MHz(versão 5V) ou
8MHz(versão 3.3V). -
Tensão de Operação: Disponível em duas versões –
5V(aceita
6-12V no pino RAW) e3.3V(aceita 6-9V no pino RAW). -
Corrente por Pino I/O: Cada pino digital pode fornecer até
40mA, mas o total para todos os pinos não deve exceder
200mA. -
Memória Flash:
32KB(dos quais0.5KBsão usados
pelo bootloader). -
Memória SRAM:
2KBpara variáveis durante a execução do
programa. -
Memória EEPROM:
1KBpara armazenamento permanente de dados. -
Conversor USB-Serial: Não possui conversor integrado. É necessário um
adaptador externo (como FTDI FT232RL, CH340G ou CP2102) para programação e
comunicação serial. -
Pinos de Boot: O bootloader está configurado para usar os pinos
RX(D0) eTX(D1) para programação serial.
Este guia de pinagem do Arduíno Pro Mini foi desenvolvido para fornecer uma
referência completa e detalhada para desenvolvedores e entusiastas que
trabalham com esta placa compacta. Compreender a função de cada pino e suas
limitações é fundamental para aproveitar ao máximo o potencial do Arduíno Pro
Mini em seus projetos. Lembre-se de que, apesar de seu tamanho reduzido, esta
placa oferece a mesma capacidade de processamento de outras placas Arduino
maiores, tornando-a ideal para aplicações onde o espaço é um fator crítico.
🤔 Dúvidas Frequentes (FAQ)
Para garantir que seu projeto seja um sucesso, compilamos algumas das
perguntas mais comuns sobre este carregador. Confira!
1. Como programar o Arduíno Pro Mini se ele não possui porta USB?
🔽
Para programar o Arduíno Pro Mini, você precisa de um adaptador
USB-Serial externo, como FTDI FT232RL, CH340G ou CP2102. Conecte os
pinos TXO do adaptador ao RXI do Pro Mini, o
RXI do adaptador ao TXO do Pro Mini, o
GND ao GND e o DTR do adaptador
ao pino DTR do Pro Mini. O pino DTR é
importante pois permite o reset automático da placa durante a gravação
do código.
2. Qual a diferença entre as versões de 5V e 3.3V do Arduíno Pro
Mini?
🔽
A principal diferença está na tensão de operação e na frequência do
clock. A versão de 5V opera com um clock de
16MHz e aceita alimentação de 6V a
12V no pino RAW. Já a versão de 3.3V opera com
um clock de 8MHz e aceita alimentação de 6V a
9V no pino RAW. A escolha depende dos componentes que você
pretende usar em seu projeto, especialmente sensores e módulos que podem
ser sensíveis à tensão.
3. Posso alimentar o Arduíno Pro Mini diretamente pelo pino VCC?
🔽
Sim, você pode alimentar o Arduíno Pro Mini diretamente pelo pino
VCC, mas apenas com a tensão regulada correta (5V
para a versão de 5V ou 3.3V para a versão de 3.3V). Não
alimente o pino VCC com tensão não regulada ou com tensão
superior à especificada, pois isso pode danificar o microcontrolador. O
pino RAW deve ser usado quando você precisa alimentar a
placa com uma tensão maior que será regulada internamente.
4. Quantos pinos PWM estão disponíveis no Arduíno Pro Mini?
🔽
O Arduíno Pro Mini possui 6 pinos PWM: D3,
D5, D6, D9, D10 e
D11. Estes pinos podem ser usados para gerar sinais de
modulação por largura de pulso, que são úteis para controlar a
intensidade de LEDs, a velocidade de motores DC, ou para outras
aplicações que requerem saídas analógicas simuladas.
5. Como usar os pinos A6 e A7 que são apenas analógicos?
🔽
Os pinos A6 e A7 são entradas analógicas
exclusivas, o que significa que não podem ser usados como pinos
digitais. Para usá-los, você deve ler seus valores usando a função
analogRead() com os parâmetros A6 ou
A7. Eles fornecem leituras de 0 a
1023, correspondentes a 0V a
5V (ou 0V a 3.3V na versão de
3.3V). São úteis quando você precisa de mais entradas analógicas do que
as disponíveis nos pinos A0 a A5.
6. É possível usar comunicação I2C e SPI simultaneamente no Arduíno Pro
Mini?
🔽
Sim, é possível usar comunicação I2C e SPI simultaneamente no Arduíno
Pro Mini, pois elas usam pinos diferentes. A comunicação I2C usa os
pinos A4 (SDA) e A5 (SCL), enquanto a
comunicação SPI usa os pinos D10 (SS),
D11 (MOSI), D12 (MISO) e
D13 (SCK). No entanto, você deve ter cuidado para não usar
esses pinos para outras finalidades ao mesmo tempo, e garantir que não
haja conflitos de endereços ou recursos ao usar múltiplos dispositivos
I2C ou SPI.
👋 E por hoje é só, espero que tenhamos alcançado suas expectativas!
Agradecemos por visitar o nosso blog e esperamos tê-lo(a) novamente por aqui
em breve. Não deixe de conferir nossos outros conteúdos sobre tecnologia e
assuntos variados.
🙏 Se inscreva no nosso Blog! Clique Aqui —
FVM Learning!
Nos ajude a divulgar nosso trabalho, compartilhe nas redes sociais:
Facebook,
Instagram, WhatsApp. Uma simples atitude sua faz com que crescemos juntos e melhoremos o
nosso trabalho!
Forte abraço!
Deus vos Abençoe!
Shalom.
English
Español


