Amplificador de Som 100W RMS com o CI TDA7293 + PCI

Amplificador de Som 100W RMS com o CI TDA7293 + PCI

Olá a todos!

Hoje iremos um amplificador de potência baseado no Circuito Integrado TDA7293, que é um circuito integrado monolítico com encapsulamento Multiwatt15, de classe AB com um ótimo desempenho.

São utilizados na sua grande maioria em; Mini-system, Micro-system, Home-Theater, Sons HI-FI, entre outros, chip fabricado pela ST Microelectronics.

Esse CI tem ampla faixa de tensão e à alta capacidade de corrente de saída, consegue suprir altas potências em cargas de 4Ω e 8Ω, nele também vem agregado com a função de Mute e Standby, integrada no mesmo encapsulamento.

🛠️ Recursos do circuito integrado TDA7293

  • Faixa de tensão de operação Simétrica (± 50v)
  • Estágio de potência DMOS
  • Potência de saída alta (100w @ thd = 10%, rl = 8Ω, vs = ± 40v)
  • Funções de Mute / stand-by
  • Distorção muito baixa
  • Ruído muito baixo
  • Proteção contra Curto-Circuito (sem sinal de entrada aplicado)
  • Proteção térmica (desligamento por temperatura)
  • Detector de clip
  • Função Mute e Stand-by, com acionamentos por pinos independentes e compatíveis com a lógica CMOS.

🔌 Esquema Elétrico do Circuito


A montagem é semelhante ao TDA7294, mas este CI permite usar fonte de alimentação com valores mais altos 100V, por isso tem-se uma maior potência de saída, 100 Watts nominal e até 180W de pico máximo.


Na Figura 2 abaixo podemos constatar o Circuito Elétrico do Amplificador com o CI TDA7293.


Fig. 2 – Circuito Amplificador de Som 100W RMS com o CI TDA7293

O circuito vem com as funções de Stand-bysilêncio “Mute”, conduzidas independentemente por dois pinos de entrada e são compatíveis com lógica CMOS.

Os circuitos dedicados ao ligar e desligar do amplificador foram cuidadosamente otimizados para evitar qualquer tipo de transiente audível descontrolado em sua saída. 

Na Figura 3 abaixo, temos o diagrama do circuito que recomendamos, para a utilização do circuito transiente ON/OFF, nessa configuração podemos com esse circuito, usarmos apenas um comando para Standby e o Mute.

Fig. 3 – Circuito Mute e Stand-By TDA7293

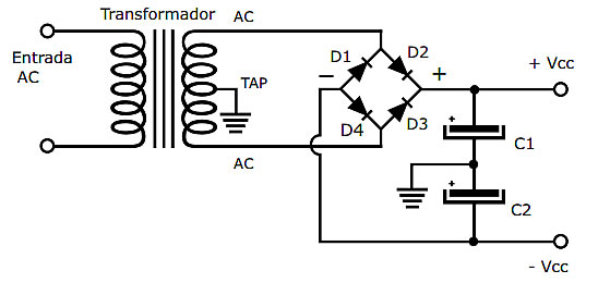
⚡ Fonte de Alimentação


A fonte de alimentação deve ser simétrica como mostra na Figura 4 abaixo, o transformador deve ter uma potência equivalente a; 1,5 X a potência total do amplificador, como sabemos amplificadores Classe AB, tem um rendimento que varia aproximadamente entre 50% a 70%

Isso dependerá muito da configuração geral do amplificador, como esta potência está relacionada com as curvas características de tensão máxima de entrada tomadas com referências no datasheet do CI, determinar a potência do amplificador pelo que ele fornece na sua saída. Sabendo-se disso deve ter a corrente no mínimo aproximado de 150W de potência. 

Os capacitores de filtro podem ser usados com valores entre 4700μF à 10.000μF, isso depende das suas exigências.


Fig. 4 – Fonte Alimentação sugerida Amplificador TDA7293

💡 Disposição dos Componentes PCB

O desenho da placa de circuito impresso, está disposta na Figura 5 e Figura 6,  abaixo, essas imagens foram obtidas através do próprio Datasheet do CI.

Fig. 5 – Layout PCI Lado Cobreado Amplificador TDA7293

Fig. 6 – Layout PCI Disposição componentes Amplificador TDA7293 

🧾 Lista de componentes

Componentes Valores
Resistor
R1 10k – Marrom, Preto, Laranja, Ouro
R2, R4, R5 22k – Vermelho, Vermelho, Laranja, Ouro
R3 33k – Laranja, Laranja, Laranja, Ouro
R6 680 – Azul, Cinza, Marrom, Ouro
R7 10 – Marrom, Preto, Preto, Ouro
Capacitores
C1 1µF /250V – Capacitor de Poliéster
C2, C3 10µF /63V –  Capacitor Eletrolítico
C4, C5 1000µF /63V – Capacitor Eletrolítico
C6, C7 100nF/100V  – Capacitor Cerâmico ou Poliéster
C8, C9 22µF/63V – Capacitor Eletrolítico
C10 100nF /100V – Capacitor de Poliéster
C11 220pF/100V – Capacitor Cerâmico
Semicondutores
D1 1N4148 – Diodo
CI TDA7293 – Circuito Integrado
Diversos
Fonte Alimentação Simétrica de 15 à 42V
Soldador, fios, placa de circuito impresso, radiador de calor para o CI, parafusos, caixas, etc.

👋 E por hoje é só, espero que tenhamos alcançado suas expectativas!

Agradecemos por visitar o nosso blog e esperamos tê-lo(a) novamente por aqui em breve. Não deixe de conferir nossos outros conteúdos sobre tecnologia e assuntos variados. 

🙏 Se inscreva no nosso Blog! Clique Aqui — FVM Learning!

Nos ajude a divulgar nosso trabalho, compartilha nas redes sociais, Facebook, Instagram, nos grupos de WhatsAppuma simples atitude sua, faz com que cresçamos juntos e melhoremos o nosso trabalho!

Forte abraço!
Deus vos Abençoe!
Shalom.

Compartilhar

Deixe um comentário

O seu endereço de e-mail não será publicado. Campos obrigatórios são marcados com *